Home - Products-IMPINJ Ex10 Series-Ex10 Module-Single Port Module-RRUx180MG
RRUx180MG UHF RFID Module
RRUx180MG UHF RFID Module
RRUx180MG UHF RFID Module
RRUx180MG UHF RFID Module
RRUx180MG UHF RFID Module
RRUx180MG UHF RFID Module
RRUx180MG UHF RFID Module
RRUx180MG UHF RFID Module

Ex10 UHF RFID Module (1-Port)

Based on the E710/E510/E310 chip design, Gen2 Extension Ready, maximizing chip potential with outstanding multi-tag anti-collision capability and advanced thermal balance design ensuring consistently high performance over time make these modules the best choice for high-performance handheld RFID devices. They are also suitable for various mainstream RFID applications, including logistics and apparel.

Model

  • RRU7180MG
  • RRU5180MG
  • RRU3180MG

Size

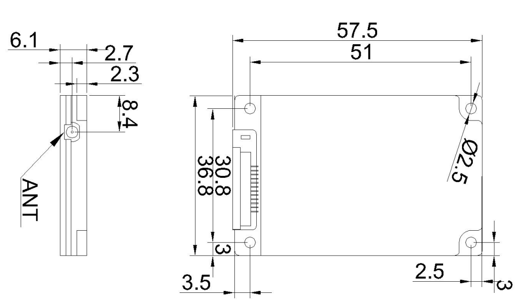
  • 57.5 x 36.8 x 6.1mm

RRUx180MG

Inquire Now
Product Details

FEATURES

l  Self-intellectual property;

l  Designed with IMPINJ E710/E510/E310 and support ISO18000-6C(EPC C1G2) protocol tag, featuring excellent multi-tag anti-collision functionality;

l  865~868MHz/902~928MHz frequency band(frequency customization optional) with FCC and CE certificate compliant;

l  FHSS or Fix Frequency transmission;

l  RF output power up to 33dbm(adjustable);

l  MMCX socket for external antenna;;

l  Effective distance up to 12m*(with external 8dbi antenna and tag E41);

l  Maximum inventory speed* up to 1000pcs/s (using E710) or 600pcs/s (using E510) or 350pcs/s (using E310);

l  Tag buffer size up to 1000PCS@96bits EPC;

l  Low power dissipation with +3.8~5.5VDC power supply;

l  Support RSSI;

l  Support RS232 serial communication interface (3.3V TTL level);

l  High stability with air cooling and no extra heat sinking;

l  Support on-the-site firmware upgrading.

*Effective reading distance and tag interrogation speed are directly related to the antenna, tags, and the working environment.

 

CHARACTERISTICS

l  Absolute Maximum Ratings

ITEM

SYMBOL

VALUE

UNIT

Power Supply

VCC

6

V

Operating Temp

TOPR

-20 ~ +65

Storage Temp

TSTR

-40 ~ +85


l  Electrical and Mechanical Specification

Under TA=25℃,VCC=+5.0V unless specified


ITEM

SYMBOL

MIN

TYP

MAX

UNIT

Power Supply

VCC

3.6

5

5.5

V

Current Dissipation

IC

410

100standby

1000(30dBm)

1350(33dBm)

mA

Frequency

FREQ

-

865~868(ETSI)

902~928(FCC)

-

MHz

RF Output Power

PRF

5


33

dBm

Receive Sensitivity

SR


-74(using E310)

-81(using E510)

-87(using E710)


dBm

 10% fluctuation


INTERFACE

RRUx180MG 

 

No.

Pad No.

Symbol

Comment

1

1

VCC

Power Supply

2

1

VCC

Power Supply

3

2

GND

Ground

4

2

GND

Ground

5

3

EN

Enable. High level effective with   internal 10kOhm resistor pulled up to VCC

6


NC

Reserved

7


NC

Reserved

8

4

NC

Reserved

9

5

RXD

Serial data input

10

6

TXD

Serial data output

11


NC

Reserved

12


NC

Reserved


MECHANICAL DATA (UNIT: mm)

 

image.png 

Application Information

1. When designing fixed reader, please take care of heat sinking and remember to make sure the heat sinker of the module is closely and stably attached to the reader’s bottom plate;

2. Please refer to User's Manual for detailed protocol description.

 


Remark:

1. Specifications are subject to change, please pay attention to our latest version.

2. Shenzhen RoyalRay Science and Technology Co., Ltd. reserves the right to the final interpretation of the above terms.